|
|
Double Acting |
|
|
Air |
|
|
0.1~0.9MPa |
|
|
1.35MPa |
|
|
-5~70℃ |
|
|
Fixed Type Buffer |
|
Bore(mm) |
12 |
16 |
20 |
25 |
32 |
40 |
50 |
63 |
80 |
100 |
|
|
Motion Pattern |
Double Acting |
||||||||||
|
Single Action Extrusion type Single Action Drawing-in Type |
- |
||||||||||
|
Working Medium |
Air |
||||||||||
|
Operating Pressure Range |
Double Action |
0.1~0.9MPa |
|||||||||
|
Single Action |
0.2~0.9MPa |
- |
|||||||||
|
Ensured Pressure Resistance |
1.35MPa |
||||||||||
|
Operating Temperature Range |
-5~70℃ |
||||||||||
|
Operating Speed Range |
Double Action |
30~500mm/s |
30~350mm/s |
30~250mm/s |
|||||||
|
Single Action |
100~500mm/s |
- |
|||||||||
|
Buffer Type |
Fixed Type Buffer |
||||||||||
|
Port Size |
M5×0.8 |
G1/8" |
G1/4" |
G3/8" |
|||||||
|
Bore/Symbol |
B2 |
E |
F |
G |
H |
I |
J |
K2 |
L |
M |
V |
W |
|
12 |
17 |
16 |
4 |
1 |
10 |
8 |
4 |
M5×0.8 |
10.2 |
2.8 |
6 |
5 |
|
16 |
17.5 |
16 |
4 |
1.5 |
10 |
8 |
4 |
M5×0.8 |
11 |
2.8 |
6 |
5 |
|
20 |
20.5 |
19 |
4 |
1.5 |
13 |
10 |
5 |
M6×1.0 |
16 |
2.8 |
8 |
6 |
|
25 |
23 |
21 |
4 |
2 |
15 |
12 |
6 |
M10×1.25 |
17 |
2.8 |
10 |
8 |
|
32 |
25 |
22 |
4 |
3 |
15 |
17 |
6 |
M10×1.25 |
22 |
2.8 |
12 |
10 |
|
40 |
35 |
32 |
4 |
3 |
25 |
19 |
8 |
M14×1.5 |
28 |
2.8 |
16 |
14 |
|
50 |
37 |
33 |
5 |
4 |
25 |
27 |
11 |
M18×1.5 |
38 |
2.8 |
20 |
17 |
|
63 |
37 |
33 |
5 |
4 |
25 |
27 |
11 |
M18×1.5 |
40 |
2.8 |
20 |
17 |
|
80 |
44 |
39 |
6 |
5 |
30 |
32 |
13 |
M22×1.5 |
45 |
4 |
25 |
22 |
|
100 |
50 |
45 |
7 |
5 |
35 |
36 |
13 |
M26×1.5 |
55 |
4 |
32 |
27 |
|
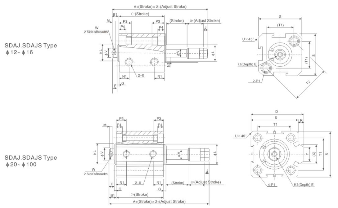
Type |
Standard type |
Attach Magnet |
D |
E |
F |
G |
K1 |
L |
M |
N1 |
|||||
|
Bore Size/Symbol |
A |
B1 |
C |
A |
B1 |
C |
Stroke≤10 |
Stroke>10 |
|||||||
|
12 |
22 |
5 |
17 |
32 |
5 |
27 |
- |
6 |
4 |
1 |
M3×0.5 |
10.2 |
2.8 |
6.3 |
|
|
16 |
24 |
5.5 |
18.5 |
34 |
5.5 |
28.5 |
- |
6 |
4 |
1.5 |
M3×0.5 |
11 |
2.8 |
7.3 |
|
|
20 |
25 |
5.5 |
19.5 |
35 |
5.5 |
29.5 |
36 |
8 |
4 |
1.5 |
M4×0.7 |
15 |
2.8 |
7.5 |
|
|
25 |
27 |
6 |
21 |
37 |
6 |
31 |
42 |
10 |
4 |
2 |
M5×0.8 |
17 |
2.8 |
8 |
|
|
32 |
31.5 |
7 |
24.5 |
41.5 |
7 |
34.5 |
50 |
12 |
4 |
3 |
M6×1 |
22 |
2.8 |
9 |
|
|
40 |
33 |
7 |
28 |
43 |
7 |
36 |
58.5 |
12 |
4 |
3 |
M8×1.25 |
28 |
2.8 |
10 |
|
|
50 |
37 |
9 |
28 |
47 |
9 |
38 |
71.5 |
15 |
5 |
4 |
M10×1.5 |
38 |
2.8 |
10.5 |
|
|
63 |
41 |
9 |
32 |
51 |
9 |
42 |
84.5 |
15 |
5 |
4 |
M10×1.5 |
40 |
2.8 |
11.8 |
|
|
80 |
52 |
11 |
41 |
62 |
11 |
51 |
104 |
15 |
20 |
6 |
5 |
M14×1.5 |
45 |
4 |
14.5 |
|
100 |
63 |
12 |
51 |
73 |
12 |
61 |
124 |
18 |
20 |
7 |
5 |
M18×1.5 |
55 |
4 |
20.5 |
|
Bore Size/Symbol |
N3 |
O |
P1 |
P3 |
P4 |
R |
S |
T1 |
T2 |
U |
V |
W |
X |
Y |
|
12 |
6 |
M5×0.8 |
Double Sides:Φ6.5/Thread:M5×0.8/Through ports:Φ4.2 |
12 |
4.5 |
- |
25 |
16.2 |
23 |
1.6 |
6 |
5 |
- |
- |
|
16 |
6.5 |
M5×0.8 |
(Double Sides):Φ6.5/(Thread):M5×0.8/(Through ports):Φ4.2 |
12 |
4.5 |
- |
29 |
19.8 |
28 |
1.6 |
6 |
5 |
- |
- |
|
20 |
- |
M5×0.8 |
(Double Sides):Φ6.5/(Thread):M5×0.8/(Through ports):Φ4.2 |
14 |
4.5 |
2 |
34 |
24 |
- |
2.1 |
8 |
6 |
11.3 |
10 |
|
25 |
- |
M5×0.8 |
(Double Sides):Φ8.2/(Thread):M6×1.0/(Through ports):Φ4.6 |
15 |
5.5 |
2 |
40 |
28 |
- |
3.1 |
10 |
8 |
12 |
10 |
|
32 |
- |
G1/8" |
(Double Sides):Φ8.2/(Thread):M6×1.0/(Through ports):Φ4.6 |
16 |
5.5 |
6 |
44 |
34 |
- |
2.15 |
12 |
10 |
18.3 |
15 |
|
40 |
- |
G1/8" |
(Double Sides):Φ10/(Thread):M8×1.25/(Through ports):Φ6.5 |
20 |
7.5 |
6.5 |
52 |
40 |
- |
2.25 |
16 |
14 |
21.3 |
16 |
|
50 |
- |
G1/4" |
(Double Sides):Φ11/(Thread):M8×1.25/(Through ports):Φ6.5 |
25 |
8.5 |
9.5 |
62 |
48 |
- |
4.15 |
20 |
17 |
30 |
20 |
|
63 |
- |
G1/4" |
(Double Sides):Φ11/(Thread):M8×1.25/(Through ports):Φ6.5 |
25 |
8.5 |
9.5 |
75 |
60 |
- |
3.15 |
20 |
17 |
28.7 |
20 |
|
80 |
- |
G3/8" |
(Double Sides):Φ14/(Thread):M12×1.75/(Through ports):Φ9.2 |
25 |
10.5 |
10 |
94 |
74 |
- |
3.65 |
25 |
22 |
36 |
26 |
|
100 |
- |
G3/8" |
(Double Sides):Φ17.5/(Thread):M14×2/(Through ports):Φ11.3 |
30 |
13 |
10 |
114 |
90 |
- |
3.65 |
32 |
27 |
35 |
26 |
|
Type |
Standard Type |
Attach magnet |
D |
E |
F |
G |
K1 |
L |
M |
N1 |
||||||||
|
Strbke |
A |
B1 |
C |
A |
B1 |
C |
||||||||||||
|
≤10 |
>10 |
≤10 |
>10 |
≤10 |
>10 |
≤10 |
>10 |
|||||||||||
|
12 |
32 |
42 |
5 |
27 |
37 |
42 |
52 |
5 |
37 |
47 |
- |
6 |
4 |
1 |
M3×0.5 |
10.2 |
2.8 |
6.3 |
|
16 |
34 |
44 |
5.5 |
28.5 |
38.5 |
44 |
54 |
5.5 |
38.5 |
48.5 |
- |
6 |
4 |
1.5 |
M3×0.5 |
11 |
2.8 |
7.3 |
|
20 |
35 |
45 |
5.5 |
29.5 |
39.5 |
45 |
55 |
5.5 |
39.5 |
49.5 |
36 |
8 |
4 |
1.5 |
M4×0.7 |
16 |
2.8 |
7.5 |
|
25 |
37 |
47 |
6 |
34 |
41 |
47 |
57 |
6 |
41 |
51 |
42 |
10 |
4 |
2 |
M5×0.8 |
17 |
2.8 |
8 |
|
32 |
41.5 |
51.5 |
7 |
34.5 |
44.5 |
51.5 |
61.5 |
7 |
44.5 |
54.5 |
50 |
12 |
4 |
3 |
M6×1 |
22 |
2.8 |
9 |
|
40 |
43 |
53 |
7 |
36 |
46 |
53 |
63 |
7 |
46 |
56 |
58.5 |
12 |
4 |
3 |
M8×1.25 |
28 |
2.8 |
10 |
|
|
|
|
|
|
|
|
|



