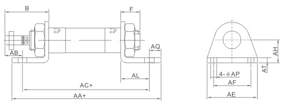
M-LB Type Foot Bracket
Overall Dimensions
| Symbol | B | F | AA(MA Series) | AA(MAL Series) | AA(MSA Series) | AA(MSAL Series) | AB | AC(MA Series) | AC(MAL Series) | AC(MSA Series) | AC(MSAL Series) | AE | AF | AL | AQ | AP | AT | AH | ||||
| Bore | 0-50 | 51-100 | 0-50 | 51-100 | 0-50 | 51-100 | 0-50 | 51-100 | ||||||||||||||
| 16 | 38 | 16 | 98 | - | 98 | 123 | - | - | 25 | 86 | - | 86 | 111 | - | - | 44 | 32 | 13 | 6 | 5.5 | 3 | 20 |
| 20 | 40 | 12 | 122 | 116 | 122 | 147 | 116 | 141 | 25 | 106 | 100 | 106 | 131 | 100 | 125 | 54 | 40 | 15 | 8 | 6.5 | 3 | 25 |
| 25 | 44 | 14 | 122 | 116 | 122 | 147 | 116 | 141 | 29 | 106 | 100 | 106 | 131 | 100 | 125 | 54 | 40 | 15 | 8 | 6.5 | 3 | 25 |
| 32 | 44 | 14 | 142 | 136 | 142 | 167 | 136 | 161 | 19 | 126 | 120 | 126 | 151 | 120 | 145 | 59 | 45 | 25 | 8 | 6.5 | 4 | 32 |
| 40 | 46 | 14 | 142 | 158 | 142 | 167 | 158 | 183 | 21 | 126 | 142 | 126 | 151 | 142 | 167 | 64 | 60 | 25 | 8 | 6.5 | 4.5 | 36 |


